隨著社會對能源的需求量越來越大,"能源安全危機"的問題也愈發突顯。對此,經濟和社會學家舍爾赫爾曼曾提出"陽光型世界經濟"的概念,指出利用陽光型能源和陽光型原材料即可再生能源來滿足人類對能源和原材料的總體需求,可為世界經濟發展提供一個可持續增長的長遠戰略和出路。因此,開發利用可再生能源、實現能源工業可持續發展的任務更加迫切,更具深遠的意義。
太陽輻射能具有取之不盡、用之不竭、無污染、廉價、能夠自由利用等特點,引起了人們對研究太陽電池的濃厚興趣。太陽電池具有質量輕、使用安全、不污染環境、工作時不產生熱量等優點,是一種電壓穩定性良好的純直流電源。近年來,太陽電池應用于太陽光發電的技術已經取得了很大進展,很可能成為人類未來主要電力來源之一。因此,太陽電池的研究有極其重要的意義。
隨著太陽電池的廣泛應用,一些影響電池壽命的不利因素也出現在我們面前。熱斑就是其中之一。
一、熱斑的成因
太陽電池熱斑是指太陽電池組件在陽光照射下,由于部分組件受到遮擋無法工作,使得被遮蓋的部分升溫遠遠大于未被遮蓋部分,致使溫度過高出現燒壞的暗斑,如圖1所示。熱斑可能導致整個電池組件損壞,造成損失。因此,需要研究造成熱斑的內在原因,從而減小熱斑形成的可能性。太陽電池熱斑的形成主要由兩個內在因素構成,分別與內阻和太陽電池自身暗電流大小有關。

圖1太陽組件出現熱斑損壞的實驗照片
通常簡化假定其溫度取決于下列幾個主要因素:日照強度L、環境溫度T,以及內阻產生的溫升Ti,組件溫度(陣列溫度)T可近似地按下式計算:

式中:L=0,Ts=0,Ti=0時陣列的溫度;To、a1、a2為根據實驗數據按最小二乘法處理后所得的系數,與所使用的太陽電池的類型、安裝地點、支架形式等因素都有關系。由式(1)可見,當光伏陣列中太陽電池被云、樹葉或其它物體遮擋時,由于光照的變化,其溫度將明顯不同于陣列中那些未被遮擋的部分。同樣,當光伏電池處于開路、短路或典型負載等不同工作狀態時,由于流過的電流和內阻均有變化,其溫度亦有所不同。當太陽電池組件中部分電池損壞時,其溫度差異將更加明顯。
二、熱斑與暗電流的關系
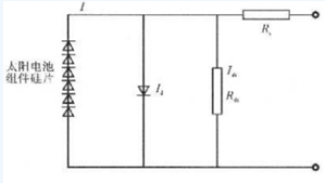
由于一個太陽電池組件一般包含36或72塊太陽電池硅片,不同的硅片的暗電流是不一樣的,由圖2所示太陽電池簡略示意圖可分析如下。

圖2太陽電池簡略示意圖
在短路情況下,當太陽電池組件其中某個硅片被遮擋時,它就不再正常工作,發揮太陽電池的作用,而是相當于一個內阻,此時由其他太陽電池組件進行供電,由

可知,此硅片生熱主要取決于電流I的大小,而

可知,此硅片生熱主要取決于電流I的大小,而式中:I為逆電流;Id為暗電流;
Ish為流過并聯電阻的電流)對于不同的太陽電池硅片來說,每一塊太陽電池硅片的暗電流是不一樣的。因此由式(2)我們可以得出結論,逆電流較大的太陽電池硅片,在外界環境相同的條件下,其產生熱斑的可能性較大。
三、結語
多晶硅太陽電池用作地面上的電源時,根據需要將單片電池先進行串并聯組合,然后密封在透明外殼中以構成太陽能組件。外殼通常用強化玻璃和透明的耐水性樹脂構成。多晶硅太陽電池在構成組件后,已裝有旁路二極管用以消除熱斑。
對于暗電流的分析,由于在此實驗不易單獨區分出暗電流與逆電流。但二者所反映的函數特征是一致的。因為逆電流在現實實驗中較暗電流容易測出,故可用逆電流代替暗電流,試驗結果反映曲線的特性也是沒有改變的。通過對7片電池進行遮擋,測量溫度變化率及電池的暗電流,進行分析得出結論逆電流大的電池更易產生熱斑。
責任編輯: 中國能源網